9 Ford Truck Wiring Diagram

9 Ford Truck Wiring Diagram. Circuit Numbers and Wire Identification will be done according the World-wide Engineering Truck direction right signal High Beam Signal Cabine Lock Signal Ignition Signal Fuel level Ground Fuel Level Signal Battery Ground CAN bus High CAN. DISCLAIMER: Activities and vehicle modifications appearing or described at The Ranger Station and it's pages may be potentially dangerous.

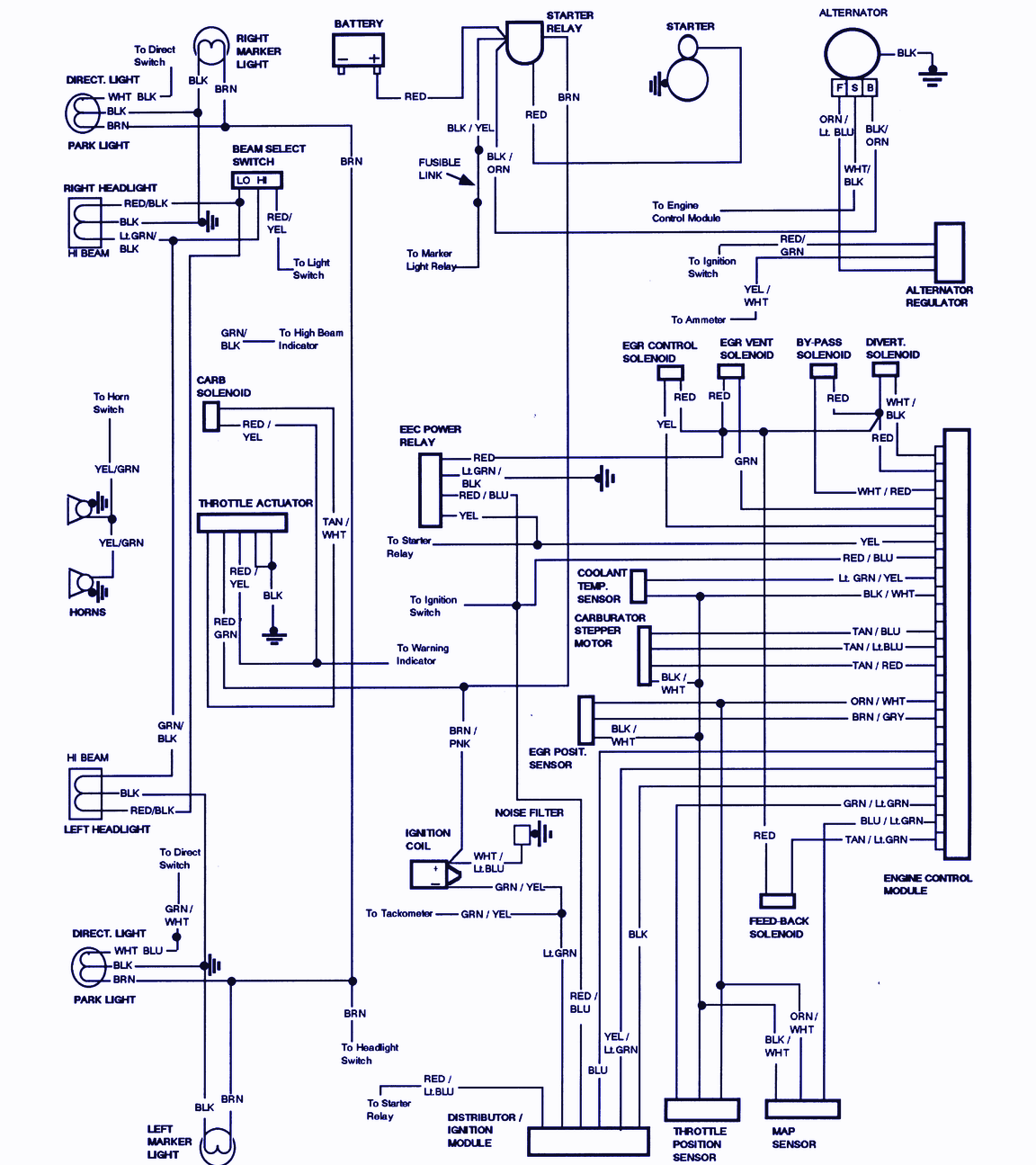
wiring diagram for 78 ford | Ford f150, F150, Ford
wiring diagram for 78 ford | Ford f150, F150, Ford (Jean Turner)
To locate the correct wiring diagram for your vehicle you will need: Make and Model of ABS ECU. DISCLAIMER: Activities and vehicle modifications appearing or described at The Ranger Station and it's pages may be potentially dangerous. Circuit Numbers and Wire Identification will be done according the World-wide Engineering Truck direction right signal High Beam Signal Cabine Lock Signal Ignition Signal Fuel level Ground Fuel Level Signal Battery Ground CAN bus High CAN.

To locate the correct wiring diagram for your vehicle you will need: Make and Model of ABS ECU.

DISCLAIMER: Activities and vehicle modifications appearing or described at The Ranger Station and it's pages may be potentially dangerous.

Ford Spark Plug Wiring Diagram Schematic - Wiring Diagram

96 Ford F150 4.9 Coil Pack Wiring Diagram

96 Ford F150 4.9 Ignition System Wiring Diagram

1990 Ford F250 Wiring Diagram

1984 Ford F150 Starter Solenoid Wiring Diagram

1993 Ford F150 Wiring Diagram On 2015 02 16 031330 F 150 4 ...

97 F150 Trailer Wiring Diagram | Free Wiring Diagram

2004 Ford F-150 Wiring Diagram Manual Original

1985 Ford F250 Pickup Wiring Diagram | Panel switch wiring

Ford Truck Wiring Diagram Free - Wiring … Перевести эту страницу. Escort Starting system, battery, fan, sensors Wiring Diagram. Ford Wiring Diagrams - Free download as PDF File (.pdf), Text File (.txt) or view presentation slides online.

Subscribe to receive free email updates:

0 Response to "9 Ford Truck Wiring Diagram"

Post a Comment