
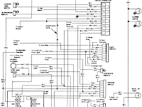
9 N Ford Tractor Wiring Diagram
5:40 AM
Add Comment
1940 9n ford tractor wiring diagram,
9n ford tractor wiring diagram,
9n ford tractor wiring diagram 6 volt
Edit
9 N Ford Tractor Wiring Diagram . Come join the discussion about specifications, modifications, troubleshooting, maintenance, and more! I w...
Read More


